lunes, 21 de marzo de 2022

Montaje y experimentación con circuitos neumáticos

 

Montaje y experimentación con circuitos neumáticos 

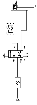
Descripción de un ejemplo de uso de la válvula 4/2 

  • Posición  1 de la válvula: Por la entrada P de la válvula entra presión y en la posición de la válvula que se muestra en la imagen, es conducida a la salida B, de allí va a la parte derecha del cilindro y hace desplazarse el émbolo hacia la izquierda, hasta llegar a su posición final, si no se cambia antes de la posición final, si no se cambia antes la posición de la válvula. Este movimiento se hace de máxima velocidad, ya que la regulación de velocidad no afecta en este caso a la salida del aire o fluido, que se evacúa por la entrada A de la válvula hasta la salida R (el silenciador en caso de neumática). 

  • Posición 2 de la válvula: Por la entrada P de la válvula entr

  • a presión y en la posición de la válvula que se muestra en la imagen, es conducida a la salida A, de allí va a la parte derecha del cilindro y hace desplazarse el émbolo hacia la izquierda, hasta llegar a su posición final, si no se cambia antes de la posición final, si no se cambia antes la posición de la válvula. Este movimiento se hace de máxima velocidad, ya que la regulación de velocidad no afecta en este caso a la salida del aire o fluido, que se evacúa por la entrada A de la válvula hasta la salida , (el silenciador en caso de neumática). 

 

Cilindro de doble efecto con amortiguación regulable. 

  • Hacia la derecha: amortiguación en el desplazamiento. Reducción de velocidad por estrangulamiento en válvula de temporización, por la que pase el líquido al no poder pasar por la válvula antirretorno. 

 

  • Hacia la izquierda: sin regulación de velocidad porque la válvula antirretorno no impide el paso del fluido y no pasa por el estrangulador. 

 

Válvula reguladora unidireccional: regula el caudal solo en una dirección (se puede variar la regulación mediante un tornillo). Si la presión circula en sentido contrario, la presión puede pasar sin problemas. 

 

P—Entrada de presión desde la unidad de compresión y mantenimiento. 

R—Retorno de fluido de presión o escape de aire comprimido. 

A y B salida y retorno de válvula a cilindro 

Simbologia, sitemas electricos y planos

  ✏️SIMBOLOGÍA y ESQUEMAS eléctricos ⚡️ #1/8   ✏️Simbología MULTIFILAR ⚡️ #2/8 ✏️Simbología UNIFILAR ⚡️ #3/8